Безкоштовно* по Дніпру від 5000 грн.

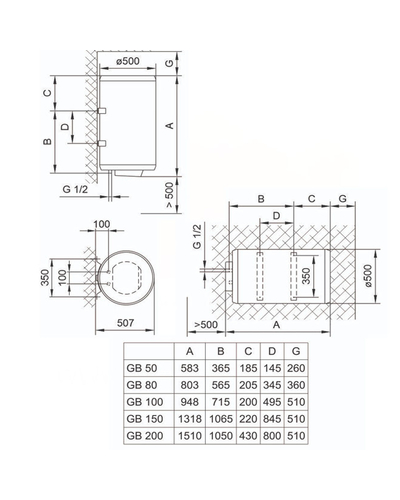
Бойлер Tiki Comfort U 200V9 2000W (стара назва Gorenje GBU 200V9) реверсивний 700185
Внутрішній резервуар водонагрівача виготовлений з високоякісного холоднокатаного листа сталі, що є надійною і сильною основою для застосування емалі.
Товстий сталевий лист (2,25 мм для верхньої та нижньої частини водомісткого баку та 1,8 мм для бічної частини) та захисне покриття емалі без домішок забезпечують надійне функціонування водонагрівача в умовах експлуатації з підвищеним навантаженням.
Ретельно контрольоване вологе нанесення емалі фіксується запіканням при температурі 850 ° С. Збільшений захисний магнієвий анод забезпечує додатковий захист від корозії.
Високоякісна екологічно чиста теплоізоляція забеспечує найефективніше використання електроенергії та мінімальні втрати тепла.
Електричні ТЕНи, вставлені в нагрівальний фланець, виготовлені зі спеціальної сталі та вкриті антикорозійною емаллю, гарантують довгий строк служби, адже вони не перебувають у прямому контакті з водою.
Водонагрівачі з «сухими» нагрівальними елементами, зовнішнім механічним регулятором температури та збільшеним шаром теплоізоляції, що зменшує теплові втрати та економить електроенергію.
Завдяки спеціальному конструктивному рішенню водонагрівач має можливість універсального монтажу – або вертикально, або горизонтально (з дотриманням усіх вказівок, щодо правильного монтажу з інструкції).
Характеристики бойлера Tiki Comfort U 200V9:
- Чистий об’єм - 194,9 літрів
- Річне споживання електроенергії (AEC) - 4756 кВт
- Вага з водою 265 кг
- 2 Сухі нагрівальні елементи потужність 2x1000 W
- Вертикальне і горизонтальне кріплення
- Емальований сталевий бак
- Захисний магнієвий анод
- Регулювання діапазону температури до 75 °C
- Захист від перегрівання
- Контрольна лампа нагрівального елементу
- Термометр
- Ступінь захисту IP 24
- Час нагрівання від 10 до 75 °C - 6 год 32 хв
Гарантія виробника на бойлер Tiki Comfort U 200V9:
- Гарантія на бак : 10 років (за умовою обслуговування сервісним центром 1 раз на 2 роки)
- Гарантія на електричну частину: 2 роки

















