Безкоштовно* по Дніпру від 5000 грн.

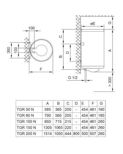
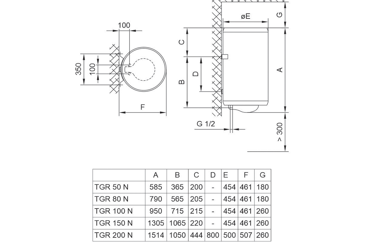
Бойлер Tiki Prime M 150V9 (стара назва Gorenje TGR 150 N) 2000W 700174
Внутрішній резервуар водонагрівача виготовлений з високоякісного холоднокатаного листа сталі, що є надійною і сильною основою для застосування емалі.
Товстий сталевий лист (2,25 мм для верхньої та нижньої частини водомісткого баку та 1,8 мм для бічної частини) та захисне покриття емалі без домішок забезпечують надійне функціонування водонагрівача в умовах експлуатації з підвищеним навантаженням.
Ретельно контрольоване вологе нанесення емалі фіксується запіканням при температурі 850 ° С. Збільшений захисний магнієвий анод забезпечує додатковий захист від корозії.
Високоякісна екологічна теплоізоляція забезпечує найбільш економне використання електроенергії і мінімальні втрати тепла.
Надчиста емаль і великий магнієвий захисний анод гарантують довгий термін служби навіть при найважчих умовах експлуатації без будь-яких шкідливих домішок у воді.
Занурювальний ТЕН знаходиться в безпосередньому контакті з водою. Він виготовляється з міді, що забезпечує його високу стійкість до корозії і довгий термін служби.
Електричні водонагрівачі вертикального монтажу зовнішнім регулюванням температури. Класичні водонагрівачі, які пропонують максимальну продуктивність із простим регулюванням температури. Надійний емальований сталевий резервуар та захисний магнієвий анод гарантують довгий строк експлуатації електричного нагрівача. Спеціальний економний режим захисту від замерзання.
Температуру нагріву води можна встановити в діапазоні між 10 °C та 65 °C за допомогою повороту ручки термостата, яка розташована на передній частині захисної пластикової кришки. Ми рекомендуємо встановлювати ручку термостата на позицію "ECO". Така установка є найбільш економною; температура води при такій позиції ручки буде близько 55 °C, відкладення накипу та теплові втрати будуть значно меншими, ніж при встановленні максимальної температури. Пiд час включення нагрівального елементу можна чути легкий шум в бойлері. Про роботу електричних нагрівальних елементів сигналізує індикаторна лампочка.
Гарантія виробника на бойлер Tiki Prime M 150 V9
- Гарантія на бак : 7 років (за умови обслуговування сервісним центром 1 раз на 2 роки)
- Гарантія на електричну частину: 2 роки







