Безкоштовно* по Дніпру від 4000 грн.

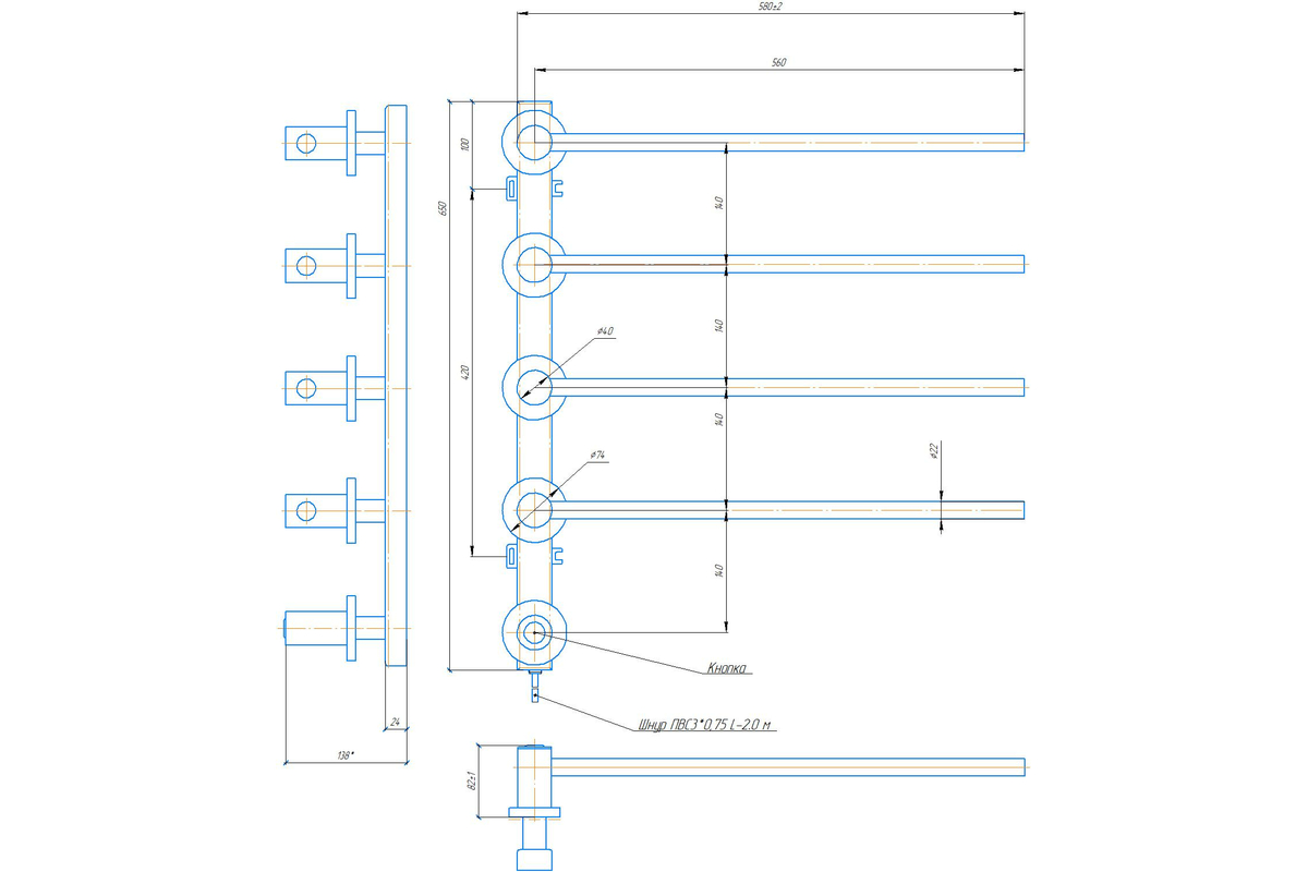
Електрична рушникосушарка Mario Іннова 625x590 2.2.2300.03.P
Електросушарка для рушників побутова Іннова 625x595. Ця модель монтується прямо у стіну. Вона не має класичних кріплень та масивної стійки, а лише витончені функціональні ребра, які ніби зависли у повітрі. Тим не менш, така рушникосушарка однозначно буде привертати увагу та повністю виконувати свої функції. Особливості та переваги рушникосушарки Іннова:
- Матеріал: 100% нержавіюча сталь, сухий ТЕН, швидкий і рівномірний нагрів, мінімальне споживання електроенергії.
 - 4 ребра, потужність 40 Вт, енергоефективна і економічна, споживання менше 1 кВт/год за добу.
 - Керування однією кнопкою, LED-індикація, можна вимкнути та увімкнути у будь-який момент.
 - Захист IP44, безпечна для використання у вологих приміщеннях та з мокрими руками.
 - Максимальна температура нагріву 55°C, ефективна для сушіння рушників, безпечна для дотику.
 - Розмір: 625х595 мм, ребра можна розвернути вправо або вліво в залежності від монтажу.
 
 Виготовлена з полірованої нержавіючої сталі без хромування. Варіант покриття: полірований. Потужність 40 Вт. Додатково для зручності користування можна оснастити гачками. Гарантія - 20 років на корпус / 5 років на електричну частину.
 
 
 Виробник залишає за собою право, без попереднього погодження із покупцем, вносити зміни в зовнішній вигляд та відтінок кольору таймер-регулятора. Такі зміни не впливають на основне, функціональне призначення таймер-регулятора в цілому.
										


									

