Кошик
В кошику немає товарів :(
Це ніколи не пізно виправити :)

Редуктор призначений для регульованого зниження тиску в мережах, де як робоче середовище використовується вода, теплоносій на основі гліколей, який не замерзає, стиснене повітря, інші рідини та гази з температурою до 110 ℃, неагресивні до матеріалів виробу.
Принцип дії редуктора – поршневий (пружинний).
Тиск на виході регулятора води підтримується на рівні не вище за налаштоване значення незалежно від стрибків тиску в мережі. При виробництві редуктора тиску використовується нікельована латунь.

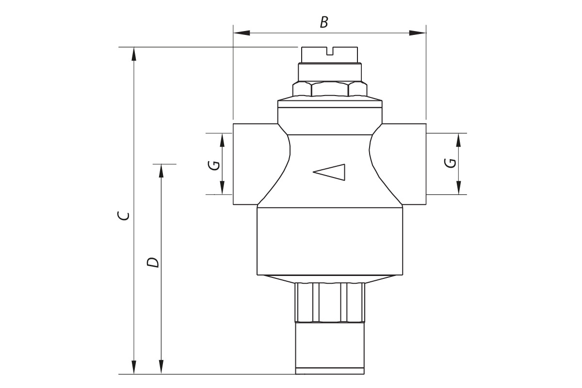
| Розміри, G | 1/2″ | 3/4″ | 1″ |
| B × C × D , мм | 60 x 113 x 70 | 62 x 113 x 70 | 90 x 162 x 104 |
| Тиск подачі води, бар | до 16 | до 20 | до 25 |
| Тиск стоку води, бар | 2 ÷ 10 | 3 ÷ 12 | 3 ÷ 15 |
| Межі регулювання вихідного тиску, бар | 1,0 ÷ 5,5 | ||
| Максимальний робочий тиск, бар | 16 | ||
| Тиск насиченої пари, бар | до 6 | ||
| Робоча температура, ℃ | 1 ÷ 110 | ||
| Номінальна витрата (при швидкості 2,0 м/с), м3/год | 1,27 | 2,27 | 3,53 |
| Номінальна витрата (при швидкості 1,5 м/с), м3/год | 0,95 | 1,70 | 2,65 |
| Умовна пропускна здатність, м3/год | 1,60 | 2,61 | 3,34 |
| Витрати при падінні тиску від настроювального 1,0 бар, м3/год | 2,1 | 3,1 | 3,6 |
| Витрати при падінні тиску від настроювального 1,2 бар, м3/год | 2,5 | 3,6 | 4,3 |
| Допустимі відхилення від настроювального тиску при різких змінах вхідного тиску, % | ±10 | ||
| Нарізь муфтових патрубків | 1/2” | 3/4” | 1” |
| Рівень шуму з відривом 2 м за швидкості 2 м/с, дБ | <30 | ||
| Ремонтопридатність | ремонтопридатний | ||
| Матеріал корпусу | Латунь CW617N нікельована | ||
Немає відгуків про цей товар.