Безкоштовно* по Дніпру від 5000 грн.

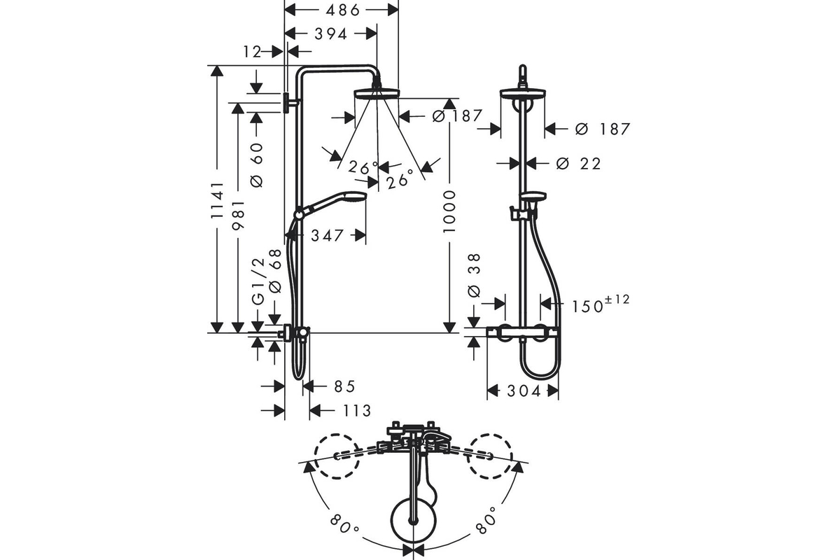
Душова система Hansgrohe Croma Select S 180 2jet Showerpipe 27253400.
У набір входить:
- Верхній душ Croma Select S 180 2jet. Розмір душового диску: 180 мм, Регульований кут верхнього душу. Тип струменя: Rain, IntenseRain. Зручне перемикання типів струменя за допомогою кнопки Select. Витрата води для струменя IntenseRain (при 3 бар): 16 л/хв. Витрата води для струменя Rain (при 3 бар): 16 л/мін. Довжина тримача для душу 400 мм;
- Поворотний тримач для душа;
- Термостат Ecostat Comfort. Запобіжний обмежувач при 40°C. Регульований обмежувач температури гарячої води. Користувальницьке управління за допомогою обертання рукоятки. Вид монтажу: зовнішній монтаж. Регульоване по висоті кріплення ручного душу;
- Шланг Isiflex 1,60 м ½ ' (28276000);
- Верхній душ Croma Select S 180 2jet (26522000);
- Ручний душ Croma Select S Multi (26800400).
Країна виробник – Німеччина.

