Корзина
В корзине пусто!
Это никогда не поздно исправить :)

Краны применяются в качестве запорной арматуры на трубопроводах низкого и среднего давления систем газоснабжения как природным, так и сжиженным углеводородным газом (СУГ). Допускается использование крана на трубопроводах холодной и горячей воды, сжатого воздуха, жидких углеводородов.
Краны имеют разрешение на их применение для газопроводов низкого и среднего давления.
Использование шаровых кранов в качестве регулирующей арматуры не допускается.

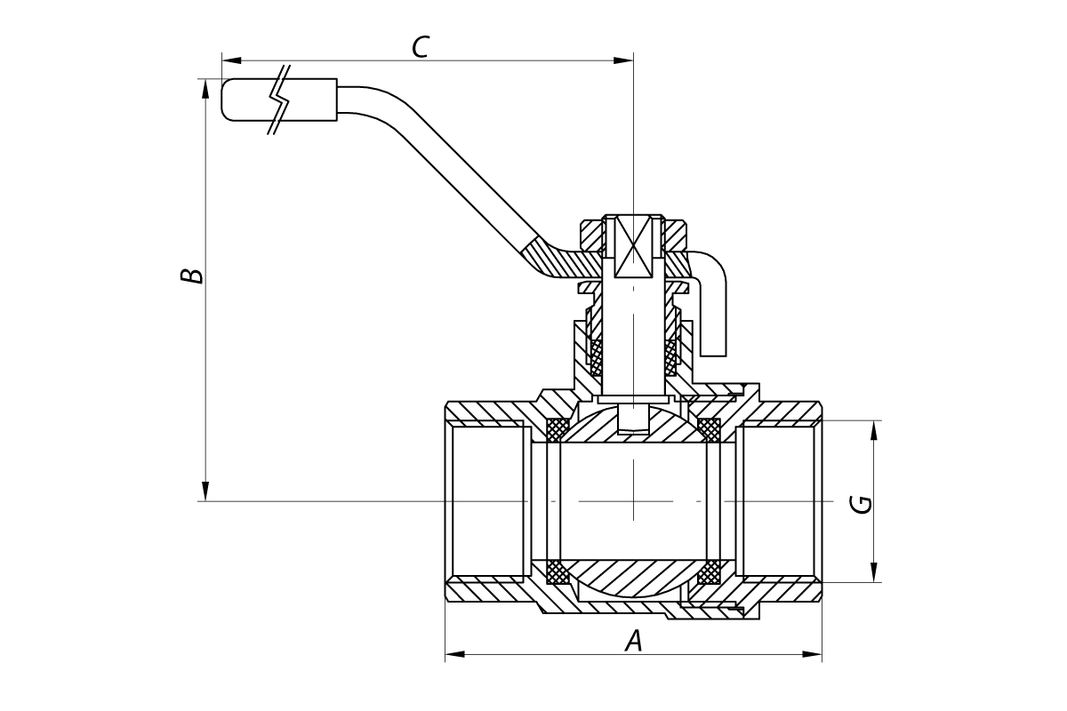
| Размеры, G | 1/2” | 3/4” | 1” | 1-1/4” | 1-1/2” | 2” |
| A, мм | 49,5 | 56 | 67 | 76,5 | 89 | 107 |
| B, мм | 41,5 | 45,5 | 52 | 67 | 81 | 92 |
| C, мм | 97 | 97 | 120 | 128 | 145 | 145 |
| Класс герметичности затвора | «А» | |||||
| Рабочее давление для газа (PN), бар | 3 | |||||
| Рабочее давление для воды (PN), бар | до 20 | |||||
| Максимальное давление для воды (PN), бар | 40 | |||||
| Тип по эффективному диаметру | полнопроходной | |||||
| Температура рабочей среды для газа, ℃ | -20 ÷ +60 | |||||
| Температура рабочей среды для жидкостей, ℃ | -20 ÷ +150 | |||||
| Рабочая среда | Газ, вода, пар, гликоли 50% | |||||
| Материал корпуса | Латунь CW617N никелированная | |||||
Нет отзывов об этом товаре.